液压软管接头

我司自主进口SUNFLEX品牌高压编织胶管、高压缠绕胶管、生产研发的胶管扣压接头、过渡接头、不锈钢接头和各种非标接头,广泛用于工程机械、隧道机械、特种车辆、石油、电力、煤矿、冶金、造船等行业。

压软

按行业搜索
1FLW\1FSW
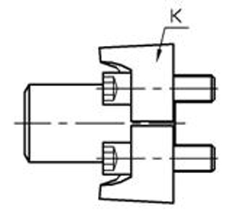
轻/重系列法兰ISO 6162-1/焊接管
L/S-SERIES FLANGE ISO 6162-1/BUTT-WELD TUBE

1FLW-ZH\1FSW-ZH

产品详情

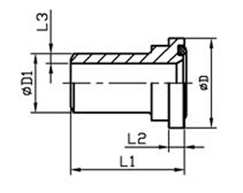
代号
PART NO.
法兰型号 尺寸 DIMENSIONS 螺栓
BOLT
重量
克/件
工作压力 (bar)
FLANGE SIZE D1 L1 L2 L3 D K
3000PSI
1FLW-08-20X3.0
1FLW-08-21.3X2.6
1FLW-08-22X2.0
1/2′′
20
21.3
22
30
13
3.0
2.6
2.0
30.1
FL-08
M8X25
M8X25

M8X25
238
/
464
345
1FLW-12-22X2.0
1FLW-12-25X3.0
1FLW-12-26.9X3.6
3/4′′
22
25
26.9
35
14
2.0
3.0
3.6
38.1
FL-12
M10X30
M10X30
M10X30
405
/
464
345
1FLW-16-30X4.0
1FLW-16-33.7X3.2
1FLW-16-35X4.0
1′′
30
33.7
35
40
14
4.0
3.2
4.0
44.4
FL-16
M10X30
M10X30
M10X30
500
/
979
345
1FLW-20-38X4.0
1FLW-20-42X3.0
1FLW-20-42.3X3.2
1.1/4′′
38
42
42.3
45
16
4.0
3.0
3.2
50.8
FL-20
M10X35
M10X35

M10X35
750
/
1445
276
1FLW-24-38X4.0
1FLW-24-42X3.0
1FLW-24-48.3X4.5
1.1/2′′
38
42
48.3
50
16
4.0
3.0
4.5
60.3
FL-24
M12X35
M12X35

M12X35
1048
/
2822
207
1FLW-32-42.3X3.2
1FLW-32-48.3X3.2
1FLW-32-60.3X5.6
2′′
42.3
48.3
60.3
60
16
3.2
3.2
5.6
71
FL-32
M12X35

M12X35

M12X35
1435
/
2822
207
1FLW-48-76.1X3.6
1FLW-48-76.1X7.1
1FLW-48-88.9X3.6
3′′
76.1
76.1
88.9
70
21
3.6
7.1
3.6
101.6
FL-48
M16X45
M16X45

M16X45
3000
/
5900
138
1FLW-56-76.1X3.6
1FLW-56-88.9X3.6
3.1/2′′
76.1
88.9
80
22
3.6
3.6
114.3
FL-56
M16X45

M16X45
3600
7375
340
6000PSI
1FSW-08-16X2.5
1FSW-08-20X3.0
1FSW-08-21.3X4.5
1/2′′
16
20
21.3
40
16
2.5
3.0
4.5
31.7
FS-08
M8X30
M8X30

M8X30
345
/
671
414
1FSW-12-20X3.0
1FSW-12-26X4.0
1FSW-12-26.9X5.6
3/4′′
20
26
26.9
45
19
3.0
4.0
5.6
41.3
FS-12
M10X35
M10X35
M10X35
646
/
1246
414
1FSW-16-25X4.0
1FSW-16-30X4.0
1FSW-16-33.7X7.1
1′′
25
30
33.7
50
24
4.0
4.0
7.1
47.6
FS-16
M12X45
M12X45
M12X45
1051
/
2076
414
1FSW-20-30X4.0
1FSW-20-38X5.0
1FSW-20-42.4X8.8
1.1/4′′
30
38
42.4
55
27
4.0
5.0
8.8
54
FS-20
M14X50
M14X50
M14X50
1530
/
3000
414
1FSW-24-38X5.0
1FSW-24-48.3X8.0
1FSW-24-48.3X8.8
1.1/2′′
38
48.3
48.3
60
30
5.0
8.0
8.8
63.5
FS-24
M16X55
M16X55
M16X55
2465
/
4830
414
1FSW-32-60.3X10.0
1FSW-32-60.3X12.5
2′′
60.3
60.3
70
37
10.0
12.5
79.4
FS-32
M20X70
M20X70
4193
8274
414

双威贸易(上海)有限公司 (SUNFLEX 中国)
SUNWAY TRADING (SHANGHAI) PTE. LTD.

中国总部地址:上海市浦东新区康桥镇康桥路868号    电话:+86-21-6806 6662 / 6806 6669
谭经理:13564145602    邮箱:tanmy@sunway.com.my
传真:+86-21-6806 6981   邮编:201315    网址:www.ssunflex.com / www.cnsunflex.com

Copyright © 2016 双威贸易(上海)有限公司 All Rights Reserved. 沪ICP备16048405号-1
沪公网安备 31011502002926号    技术支持:上海网站制作

双威视频号

双威抖音号

关注双威

手机双威