液压软管接头

我司自主进口SUNFLEX品牌高压编织胶管、高压缠绕胶管、生产研发的胶管扣压接头、过渡接头、不锈钢接头和各种非标接头,广泛用于工程机械、隧道机械、特种车辆、石油、电力、煤矿、冶金、造船等行业。

压软

按行业搜索
9C \ 9D
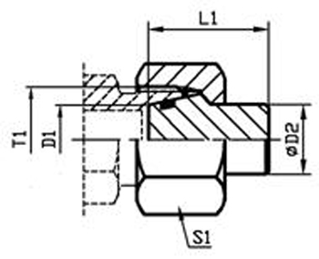
内螺纹堵头
FEMALE PLUG

产品详情

系列 代号
PART NO.
螺纹 THREAD 管子外径 TUBE O.D 尺寸 DIMENSIONS 重量
克/件
工作压力 (bar)
T1 D1 L1 L2 S1
L
9C-12
M12X1.5
06
18.5
06
14
15
500
9C-14
M14X1.5
08
18.5
08
17
24
500
9C-16
M16X1.5
10
20
10
19
33
500
9C-18
M18X1.5
12
20.5
12
22
46
400
9C-22
M22X1.5
15
20.5
15
27
73
400
9C-26
M26X1.5
18
22.5
18
32
111
400
9C-30
M30X2
22
25
22
36
162
250
9C-36
M36X2
28
25.5
28
41
220
250
9C-45
M45X2
35
30
35
50
376
250
9C-52
M52X2
42
30
42
60
558
250
S
9D-14
M14X1.5
06
18.5
06
17
23
800
9D-16
M16X1.5
08
18.5
08
19
29
800
9D-18
M18X1.5
10
20
10
22
46
800
9D-20
M20X1.5
12
20.5
12
24
55
630
9D-22
M22X1.5
14
22.5
14
27
83
630
9D-24
M24X1.5
16
23.5
16
30
106
630
9D-30
M30X2
20
28.5
20
36
180
420
9D-36
M36X2
25
29
25
46
322
420
9D-42
M42X2
30
30.5
30
50
398
420
9D-52
M52X2
38
33
38
60
647
420

双威贸易(上海)有限公司 (SUNFLEX 中国)
SUNWAY TRADING (SHANGHAI) PTE. LTD.

中国总部地址:上海市浦东新区康桥镇康桥路868号    电话:+86-21-6806 6662 / 6806 6669
谭经理:13564145602    邮箱:tanmy@sunway.com.my
传真:+86-21-6806 6981   邮编:201315    网址:www.ssunflex.com / www.cnsunflex.com

Copyright © 2016 双威贸易(上海)有限公司 All Rights Reserved. 沪ICP备16048405号-1
沪公网安备 31011502002926号    技术支持:上海网站制作

双威视频号

双威抖音号

关注双威

手机双威