液压软管接头

我司自主进口SUNFLEX品牌高压编织胶管、高压缠绕胶管、生产研发的胶管扣压接头、过渡接头、不锈钢接头和各种非标接头,广泛用于工程机械、隧道机械、特种车辆、石油、电力、煤矿、冶金、造船等行业。

压软

按行业搜索
ACHC-OG\ADHD-OG
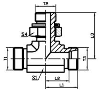
公制外螺纹可调向柱端ISO6149分支三通
METRIC MALE ADJUSTABLE STUD END ISO 6169 BRANCH TEE

SACHC-OG/RN \ SADHD-OG/RN

产品详情

系列 代号
PART NO.
螺纹 THREAD 管子外径 TUBE O.D 尺寸 DIMENSIONS 重量
克/件
工作压力 (bar)
T1 T2 T3 D1、D2 L1 L2 L3 L4 S1 S2、S3 S4
L
ACHC-12-10-12OG
M12X1.5
M10X1
M12X1.5
06
21
14
27
29
14
14
14
45
315
ACHC-14-12-14OG
M14X1.5
M12X1.5
M14X1.5
08
23
16
32
31
14
17
17
68
315
ACHC-16-14-16OG
M16X1.5
M14X1.5
M16x1.5
10
24
17
34
32
19
19
19
89
315
ACHC-18-16-18OG
M18X1.5
M16X1.5
M18X1.5
12
26
19
35
34
19
22
22
121
250
ACHC-22-18-22OG
M22X1.5
M18X1.5
M22X1.5
15
28
21
41
36
22
27
24
177
250
ACHC-26-22-26OG
M26X1.5
M22X1.5
M26X1.5
18
31.5
24
44
40
27
32
27
263
250
ACHC-30-27-30OG
M30X2
M27X2
M30X2
22
35.5
28
49
44
30
36
32
396
160
ACHC-36-33-36OG
M36X2
M33X2
M36X2
28
38.5
31
52
47
36
41
41
621
160
S
ADHD-14-12-14OG
M14X1.5
M12X1.5
M14X1.5
06
22
15
32
30
14
17
17
71
400
ADHD-16-14-16OG
M16X1.5
M14X1.5
M16X1.5
08
24
17
36
32
19
19
19
91
400
ADHD-18-16-18OG
M18X1.5
M16X1.5
M18X1.5
10
25.5
18
38
34
19
22
22
124
400
ADHD-20-18-20OG
M20X1.5
M18X1.5
M20X1.5
12
28.5
21
43
38
22
24
24
160
400
ADHD-24-22-24OG
M24X1.5
M22X1.5
M24X1.5
16
33.5
25
49
43
27
30
27
213
400
ADHD-30-27-30OG
M30X2
M27X2
M30X2
20
38.5
28
5
49
30
36
32
409
400
ADHD-36-33-36OG
M36X2
M30X2
M36X2
25
42
30
60
54
36
46
41
657
350
ADHD-42-42-42OG
M42X2
M42X2
M42X2
30
49.5
36
68
62
46
50
50
1006
250
注:如需带卡套及卡套螺母整套订货,则请在代号后加“RN”,如ACHC-30-27-30OG/RN。
Note: In case if you are interested to order the adapter in complete set with cutting ring and nut ,it is necessary to insert suffix "RN" after our part NO,for exampleACHC-30-27-30OG/RN.

双威贸易(上海)有限公司 (SUNFLEX 中国)
SUNWAY TRADING (SHANGHAI) PTE. LTD.

中国总部地址:上海市浦东新区康桥镇康桥路868号    电话:+86-21-6806 6662 / 6806 6669
谭经理:13564145602    邮箱:tanmy@sunway.com.my
传真:+86-21-6806 6981   邮编:201315    网址:www.ssunflex.com / www.cnsunflex.com

Copyright © 2016 双威贸易(上海)有限公司 All Rights Reserved. 沪ICP备16048405号-1
沪公网安备 31011502002926号    技术支持:上海网站制作

双威视频号

双威抖音号

关注双威

手机双威